芯城品牌采购网 > 品牌资讯 > 全部资讯

ESD静电保护元件简介TVS/ESD静电保护元件阵列ESD静电保护元器件RLESD保护器件可避免电子设备中的敏感电路受到ESD的。可提供非常低的电容,与其他同类元件相比具有更优异的传输线脉冲(TLP)测试,以及IEC6100-4-2测试能力,尤其是在多采样数(高达1000)之后。该器件可比传统的聚合物SEO器件提供更低的触发电压和更低的箝拉电压,进而改善对敏感电子元件的保护。静电保护元件(Eler

芯城品牌采购网

12687

4G调制解调器介绍在4G无线基带的演进中,目前有两大不断发展的技术在争逐领导地位,这就是LTE和WiMAX。WiMAX的定位是计算设备和M2M的首选技术,以及为尚未发展的地区提供固定无线联机网络,并获得英特尔(Intel)和其它多家公司领导的WiMAX论坛支持。LTE则沿着“GSM”的路线,朝手机宽带的路线演进而来,由第三代合作伙伴项目(3GPP)支持,并被包括高通(Qualcomm)、意法-爱立

芯城品牌采购网

9199

9013三极管-芯城品牌采购网

9013三极管引脚图接法首先把有字的那一片朝向自己,然后从左往右分别是1.发射极、2.基极、3.集电极。9013三极管引脚参数参数:结构NPN集电极-发射极电压25V集电极-基极电压45V发射极-基极电压0.7V集电极电流IcMax0.5A耗散功率0.625W工作温度-55℃~+150℃特征频率150MHz放大倍数D64-91E78-122F96-135G122-166H144-220I190-3

芯城品牌采购网

14366

DIP开关简介DIP开关(DIPswitch)也称为指拨开关,是可以人工调整的开关,多半是数个开关一组,以标准双列直插封装(DIP)的封装形式出现。“DIP开关”可以指个别的开关,也可以指整组的开关。DIP开关一般会设计在印刷电路板上,配合其他电子元件使用,主要目的是,调整电子设备的特性。DIP开关可视为是跳线组的代替品,其主要好处是开关比跳线容易切换状态,而且没有可能遗失或脱落的短接器。具有滑动

芯城品牌采购网

11025

FCI连接器简介FCI是世界范围内电子连接器的最主要设计者、生产商和供应商,其产品应用于汽车、通信、消费类电子、数据处理、工业机械等广大领域。FCI连接器因其专业的设计、精密的制造工艺和创新精神而畅销欧洲、美洲、亚洲众多国家。目前FCI为全球第四大品牌电子连接器,拥有员工13000人,业务遍及全球,FCI以其超过十万种产品服务全球,产品主要包括通讯、电源、医疗等连接器标准品,以及薄膜开关,FPCA

芯城品牌采购网

8467

瓷片电容简介瓷片电容(ceramiccapacitor)是一种用陶瓷材料作介质,在陶瓷表面涂覆一层金属薄膜,再经高温烧结后作为电极而成的电容器。通常用于高稳定振荡回路中,作为回路、旁路电容器及垫整电容器。瓷片电容分高频瓷介和低频瓷介两种。具有小的正电容温度系数的电容器,用于高稳定振荡回路中,作为回路电容器及垫整电容器。低频瓷介电容器限于在工作频率较低的回路中作旁路或隔直流用,或对稳定性和损耗要求不

芯城品牌采购网

13384

DA转换器-芯城品牌采购网

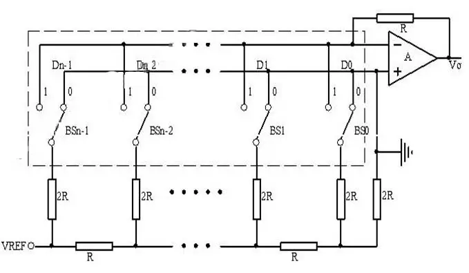
DA转换器分类按数字量输入方式:并行输入和串行输入DA转换器。按模拟量输出方式:电流输出和电压输出DA转换器。按DA转换的分辩率:低分辩率、中分辩率和高分辩率DA转换器。DA转换器构成和特点DAC主要由数字寄存器、模拟电子开关、位权网络、求和运算放大器和基准电压源(或恒流源)组成。用存于数字寄存器的数字量的各位数码,分别控制对应位的模拟电子开关,使数码为1的位在位权网络上产生与其位权成正比的电流值

芯城品牌采购网

7677

FPC连接器简介FPC翻译成中文就是:柔性印刷电路板,通俗讲就是用软性材料(可以折叠、弯曲的材料)做成的PCB连接器,用于LCD显示屏到驱动电路(PCB)的连接,主要以0.5mmpitch产品为主。0.3mmpitch产品也已大量使用。随着有LCD驱动器被整合到LCD器件中的趋势,FPC的引脚数会相应减少,市场上已经有相关的产品出现。从更长远的方向看,将来FPC连接器将有望实现与其它手机部件一同整

芯城品牌采购网

9875

EJA变送器工作原理采用微电子加工技术(MEMS)在一个单晶硅芯片表面的中心和边缘制作两个形状、尺寸、材质完全一致的H形状的谐振梁,谐振梁在自激振荡回路中作高频振荡。单晶硅谐振式传感器上的两上H形的振动梁分别将差压、压力信号转换成频率信号,送到脉冲计数器,再将两频率之差直接传递到CPU进行数据处理,经D/A转换器转换为与输入信号相对应的4~20mADC的输出信号,并在模拟信号上叠加一个BRAIN/

芯城品牌采购网

7154

BK-机床控制变压器特点控制变压器一般是采取隔离方式制作。(1)可以起到滤波抗干扰功能,可以出去三次谐波干扰功能(2)采用隔离变压器可以产生新的中性线,皮面由于电网中性线不良造成设备不能够正常运作。(3)防止非线性负载的电流畸变影响到变压器的正常工作及对电网产生的污染,起到净化电网的作用。使用环境:(1)周围空气湿度-5℃至+40℃,24小时的平均值不超过+35℃(2)安装海拔不超过2000米(3

芯城品牌采购网

12448

BNC连接器简介BNC连接器是一种很常见的RF端子同轴电缆终结器,全称是BayonetNutConnector(刺刀螺母连接器,这个名称形象地描述了这种接头外形),因为同轴电缆的广泛应用,bnc连接器也被大量用于通信系统中,如网络设备中的E1接口就是用两根BNC接头的同轴电缆来连接的,在高档的监视器、音响设备中也经常用来传送音频、视频信号。BNC电缆连接器由一根中心针、一个外套和卡座组成。它包括B

芯城品牌采购网

14061

EL817简介光耦合器(opticalcoupler,英文缩写为OC)亦称光电隔离器或光电耦合器,简称光耦。它是以光为媒介来传输电信号的器件,通常把发光器(红外线发光二极管LED)与受光器(光敏半导体管)封装在同一管壳内。亿光电子的光耦合器可提供各式封装型式(4-PinSSOP,4-PinSOP,4-PinDIP,6-PinDIP,8-PinSOP与8-PinDIP)且客户可依据产品输出功能,选用

芯城品牌采购网

6952

AD转换器-芯城品牌采购网

AD转换器简介模拟数字转换器即A/D转换器,或简称ADC,通常是指一个将模拟信号转变为数字信号的电子元件。通常的模数转换器是将一个输入电压信号转换为一个输出的数字信号。由于数字信号本身不具有实际意义,仅仅表示一个相对大小。故任何一个模数转换器都需要一个参考模拟量作为转换的标准,比较常见的参考标准为最大的可转换信号大小。而输出的数字量则表示输入信号相对于参考信号的大小。AD转换器分类模数转换器的种类

芯城品牌采购网

8210

IC卡电表简介1.IC卡电表具有多种防窃电功能,起动电流小、无潜动、宽负荷、低功耗,误差曲线平直、长期运行时稳定性好,外形美观、体积小、重量轻、安装方便。2.预购电量:IC卡传递数据,实现数据回读,包括:回读总电量,剩余电量,表内累积购电量,总购电次数等信息。3.准确度高:IC卡电表由全电子式设计,内置进口专用芯片,精度不受频率、温度、电压,高次谐波影响.长寿命:采用SMT技术,优化的电路设计,整

芯城品牌采购网

10526

GYXTW光缆描述中心松套管保护一次涂覆光纤光纤集中在缆的中心,加强件分布在光缆护层中的两侧GYXTW光缆型号GY――通信用室(野)外光缆X――缆中心管(被覆)结构T――填充式结构W――夹带钢丝的钢聚乙烯粘结护套(简称W护套)GYXTW光缆技术参数光缆芯数光缆外径光缆重量最小弯曲半径允许张力(N)允许侧压力(N/100MM)(MM)(Kg/KM)静态动态短期长期短期长期2月12日8.99010倍光

芯城品牌采购网

9517

3D芯片工艺世界上第一款3D芯片工艺已经准备获取牌照,该工艺来自于无晶圆半导体设计公司BeSang公司。当前包含了内存的平面(2D)芯片必须围绕其内存阵列放置逻辑电路来对比特位进行寻址并提供逻辑功能。把内存和逻辑电路放在一起,意味着必须在二者之间使用较长的内部连线。而BeSang通过将逻辑电路放在芯片的底层,将内存位单元放在顶层,从而将设计更加紧凑,二者之间只需很短的连接线。在BeSang(韩语的

芯城品牌采购网

6915

DDG变压器简介DDG低电压大电流变压器无论试验、加热,均需从电源电压降压以升流,使低压电流达数千或万余安培。本产品的高压电压一般为220伏、380伏和650伏,其低压电压由升流大小而不同,自成一个系列。在采用本系列产品时,一般需要在电源前侧加电压调节,使低压侧达到无级调节。本变压器适用连续工作制、输出电压采用安全电压3V、6V、9V、12V、15V、24V、36V等。DDG低电压大电流变压器适用

芯城品牌采购网

14306

EI型变压器简介EI变压器是电子变压器里一种,是按照铁心形状来定义的,因为EI变压器的铁心是由“E”型片和"I“型片叠加起来的,因此叫做EI变压器。EI变压器一般是工频(低频)变压器(50HZ或60HZ)、电源变压器、某些音频变压器也是EI的,如音响上用的。EI型变压器分类按照安装方式分类分为插针式、引线骑马夹式,插针式是直焊线路板上的,引线式是外部带引线,大部分是外面有铁壳,并且铁壳有安装孔,可

芯城品牌采购网

9300

ABB接触器公司发展ABB集团位列全球500强企业,集团总部位于瑞士苏黎世。ABB由两个历史100多年的国际性企业瑞典的阿西亚公司(ASEA)和瑞士的布朗勃法瑞公司(BBCBrownBoveri)在1988年合并而成。两公司分别成立于1883年和1891年。ABB是电力和自动化技术领域的领导厂商。ABB的技术可以帮助电力、公共事业和工业客户提高业绩,同时降低对环境的不良影响。ABB集团业务遍布全球

芯城品牌采购网

11531

DFB激光器-芯城品牌采购网

DFB激光器应用原理一、可调谐半导体激光吸收光谱技术(TDLAS)a)过程控制(HCl,O2…)b)火灾预警(CO/CO2ratio)c)成分检测(moistureinnaturalgas)d)医疗应用(bloodsugar,breathgas,helicobacter)e)大气测量(isotopecompositionofH2O,O2,CO)f)泄漏检查(Methane)g)安全(H2S,HF)

芯城品牌采购网

7703

DC电源插座封装种类DC插座分为两种封装:SMT贴片封装、DIP插件封装。DC电源插座型号规格DC电源插座中心针有:0.5mm/0.7mm/1.0mm/1.1mm/1.3mm/1.65mm/2.0mm/2.5mm/3.0mmDC电源插座技术指标接触电阻:ContactResistance≤0.03mmΩ额定负荷:RatedLoad30VDC0.5A绝缘电阻:InsulationResistance

芯城品牌采购网

14609

CCD传感器-芯城品牌采购网

CCD传感器简介电荷耦合器件图像传感器CCD(ChargeCoupledDevice),它使用一种高感光度的半导体材料制成,能把光线转变成电荷,通过模数转换器芯片转换成数字信号,数字信号经过压缩以后由相机内部的闪速存储器或内置硬盘卡保存,因而可以轻而易举地把数据传输给计算机,并借助于计算机的处理手段,根据需要和想像来修改图像。CCD传感器结构CCD是由许多个光敏像元按一定规律排列组成的。每个像元就

芯城品牌采购网

8157

ABS传感器-芯城品牌采购网

ABS传感器简介ABS传感器最重要的功能并不是为了缩短制动距离,而是为了能够尽量保持制动时汽车的方向稳定性。ABS起作用时,车轮与路面的摩擦属滚动摩擦,它会充分利用车轮与路面之间的最大附着力进行制动,从而提高制动加速度,缩短制动距离,但最重要的还是保证汽车的方向稳定性。ABS工作时就相当于以很高的频率进行点刹。于是,在紧急情况下如果将制动踏板踩到底,肯定会感到制动踏板在颤动,同时也会听到制动总泵发

芯城品牌采购网

7134

3D晶体管发展历程随着摩尔定律的进步越来越艰难,科学家们也早就意识到了3D结构晶体管的必要性。事实上,Intel早在2002年就宣布了3D晶体管设计,先后经过了单鳍片晶体管展示(2002年)、多鳍片晶体管展示(2003年)、三栅极SRAM单元展示(2006年)、三栅极后栅极(RMG)工艺开发(2007年),直至今日方才真正成熟。这一突破的关键之处在于,Intel可将其用于大批量的微处理器芯片生产流

芯城品牌采购网

8073

9D传感器简介9D传感器采用混合信号处理技术,提供校准的数字惯性检测,是高集成度的解决方案。SPI接口和简单的输出寄存器结构实现了方便的数据访问和配置控制。通过SPI端口可以访问下列嵌入式传感器:X、Y和Z轴角速度;相对首向检测;X、Y和Z轴线性加速度;内部温度;电源;以及辅助模拟输入。惯性传感器在各个轴上执行精密对准,并对失调和灵敏度进行校准。嵌入式控制器可以动态补偿对MEMS传感器的所有主要影

芯城品牌采购网

9824

4MHZ晶振主要参数频率范围Freq.Range:4MHZ频率稳定性FrequencyStabilityu:±20PPm工作温度OperaingTemp:-20℃to70℃储存温度StorangeTemp:-55℃to125℃输入电压Input:*电压:±3.3Vdc±10%,±5Vdc±10%*电流:3.000MHzto32.000MHz,≤35mA输出波形对称性OutputSymmetry:4

芯城品牌采购网

9550

CEFR电缆使用特性电缆长期允许工作温度为85℃,额定电压Uo/U为0.6/1kv。敷设时电缆最小弯曲半径如下:金属屏蔽铠装型为电缆外径的6倍。非铠装型,外径小于等于25mm时为电缆外径的4倍,大于25mm为电缆外径的6倍。CEFR电缆执行标准GB9331.2-88CEFR电缆型号名称CEFR/DA乙丙绝缘氯丁护套船用电力软电缆,DA型,连接移动电器用。80的固定敷设,用于防干扰场所,90的固定敷

芯城品牌采购网

12751

5032贴片晶振-芯城品牌采购网

5032贴片晶振简介5032晶振是贴片晶振中的较为常用的一种晶振封装尺寸,5032贴片晶振又分为5032有源晶振和5032无源晶振,两者之间主要的区别在于可定制的低频率不一样,5032无源晶振只可以做到的低频为12MHZ,而5032有源晶振却能做到低频至1MHZ,5032晶振广泛应用于蓝牙、车载、汽车导航设备、通讯电子、消费电子、智能家居等行业。5032贴片晶振尺寸5032贴片晶振规格

芯城品牌采购网

9577

6035晶振特性1.晶体振荡器系列产品为轴向引线玻璃封装型2.稳定性好,可靠性高3.阻值及B值精度高4.由于采购用玻璃封装,可在高温和高温等恶劣环境下使用5.体积小,结构坚固,便于自动化安装6.使用温度范围-40℃~+300℃7.热感应快,灵敏度高等6035晶振主要参数频率范围:7.0~100MHz频率公差(25℃)±10ppm±30ppm,orspecify在工作温度范围内的频率稳定度:±10p

芯城品牌采购网

7471

DVD电源板型号1、型号:SJ-6891(UL认证已通过)输入:AC90V-264V(50/60Hz)输出:多种输出方式尺寸:110×50×25MM2、型号:SJ-6808-2(CCC)输入:AC90V-250V(50/60Hz)输出:多种输出方式尺寸:124×45×25MM3、型号:SJ-6808-1输入:AC90V-264V(50/60Hz)输出:多种输出方式尺寸:121.5×42×25MM4

芯城品牌采购网

6419

48V开关电源简介从而产生所需要的一组或多组电压!转化为高频交流电的原因是高频交流在变压器变压电路中的效率要比50HZ高很多.所以开关变压器可以做的很小,而且工作时不是很热!!成本很低.如果不将50HZ变为高频那开关电源就没有意义!!48V开关电源大体可以分为隔离和非隔离两种,隔离型的必定有开关变压器,而非隔离的未必一定有。48V开关电源工作原理1.交流电源输入经整流滤波成直流;2.通过高频PWM

芯城品牌采购网

14861

CH4调压器产品特性(1)调压范围:它是指调压器输出压力P2的可调范围,在此范围内要求达到规定的精度。调压范围主要与调压弹簧的刚度有关。(2)压力特性:它是指流量g为定值时,因输入压力波动而引起输出压力波动的特性。输出压力波动越小,减压阀的特性越好。输出压力必须低于输入压力一定值才基本上不随输入压力变化而变化。(3)流量特性:它是指输入压力一定时,输出压力随输出流量g的变化而变化的持性。当流量g发

芯城品牌采购网

12361

BX防爆限位开关-芯城品牌采购网

BX防爆限位开关描述BX系列应用在野外作业或不良环境这类需要防爆密封环境中是理想的。为了满足防爆要求,BX系列外壳内部具有火焰通道,这可以将易然气体在接触到外部易然气体前冷却到起火温度之下。BX的火焰通道是一个处干开关腔和开关头以及外壳螺线之间的扩展活塞。这些产品或者是为野外使用的环境封装,或者是为易然气体/尘土环境设计。它们可以通过一个连接板与HDLS产品交互使用。所有的开关头都在90°增量下可

芯城品牌采购网

8610

CMOS射频集成电路发展在过去的十年中,寻呼机、无绳电话、模拟及数字蜂窝电话等个人通信系统以及数字电视、广播得到了迅猛发展,对重量轻、体积小、功耗低、成本低的收发器的需求也迅速增加,提高收发器的集成度无疑是满足上述需求的重要途径。在以往的收发器中,数字处理部分通常采用低成本的标准CMOS工艺,射频前端一般采用GaAs、Bipolar或BiCMOS工艺。由于数字处理部分的通常占到芯片面积的75%以上

芯城品牌采购网

9930

FC光纤快速接续连接器简介FC光纤接续快速连接器是一种能够很好解决现场布线作业和光纤到户工程的连接头。被广泛运用于施工现场需要快速连接的地方,为作业提供了一种快速稳定的连接。快速连接头现场组装因无需再进行胶水固化和研磨,这为工程师进行线路安装、维护和修理,以及光纤到户工程提供了更快捷的帮助。FC光纤快速接续连接器原理这种连接器最早是由日本NTT研制。FC是FerruleConnector的缩写,表

芯城品牌采购网

7455

DELTA变频器品牌介绍台达集团目前在交换式电源供应器产品为世界第一的领导厂商,并且在多项产品领域亦居世界级的领导地位,其中包括提供电源管理的整体解决方案、视讯显示器、工业自动化、网络通讯产品、与可再生能源相关产品。台达集团于1971年创立,营运据点与制造工厂遍布中国台湾、泰国、中国大陆、墨西哥以及欧洲。做为全球电力电子产业的领导者,台达集团致力于实践环境保护的承诺,已在多年前实施绿色无铅制程、回

芯城品牌采购网

11128

电连接器简介电连接器除了要满足一般的性能要求外,特别重要的要求是电连接器必须达到接触良好,工作可靠,维护方便,其工作可靠与否直接影响飞机电路的正常工作,涉及整个主机的安危。为此,主机电路对电连接器的质量和可靠性有非常严格的要求,也正因为电连接器的高质量和高可靠性,使它也广泛应用于航空、航天、国防等军用系统中。电连接器常用的分类方法包括外形、结构、用途等。电连接器结构组成电连接器由固定端电连接器,即

芯城品牌采购网

10781

KSD301温度继电器动作原理KSD301温控器是一种将定温后的双金属圆片作为热敏感反应组件,当产品主件温度增高时所产生的热量传递到双金属圆片上,达到动作温度设定时迅速动作,通过机构作用使触点断开或闭合;当温度下降到复位温度设定时,双金属圆片迅速恢复原状,使触点闭合或断开,达到接通或断开电路的目的,从而控制电路。KSD301温度继电器特点具有性能稳定、精度高、体积小、量轻、可靠性高、寿命长、对无线

芯城品牌采购网

12440

6芯室内光缆-芯城品牌采购网

6芯室内光缆传输传输方面6芯室内光缆主要是以单模和多模两种规格。单模(内径是9μm外径是125μm)多模(有两种,分别是内径是62.5μm外径是125μm和内径是50μm外径是125μm),单模是一种长距离传输的模式,波长是1310和1550两种;多模是一种短距离传输的模式(传输距离限制在2000米以内),波长是850和1300两种。(现在广泛应用的是单模,而多模正在逐渐的淘汰中)6芯室内光缆结构

芯城品牌采购网

13479

144芯光缆传输传输方面144芯光缆主要是以单模和多模两种规格。单模(内径是9μm外径是125μm)多模(有两种,分别是内径是62.5μm外径是125μm和内径是50μm外径是125μm),单模是一种长距离传输的模式,波长是1310和1550两种;多模是一种短距离传输的模式(传输距离限制在2000米以内),波长是850和1300两种。(现在广泛应用的是单模,而多模正在逐渐的淘汰中)144芯光缆特点

芯城品牌采购网

14569

CM315晶振产品介绍CM315晶振是日本CITIZEN(西铁城)生产的32.768KHZ晶振系列中的直插式音叉型水晶振动子/kHz帯水晶振动子,通常的晶振内部的石英水晶为圆形或方形,该款晶振内部的石英水晶为“U”形,故称音叉型水晶振动子.CITIZEN品牌的计时产品始于1924年,是一款怀表。当时的东京市长,后藤新平先生期望这款苦心研制的日本制造的怀表能够成为“为CITIZEN,也就是全世界全体

芯城品牌采购网

12696

72芯光缆简述72芯光缆是内置有72根光纤(成分是二氧化硅,石英玻璃)的通讯线缆。拥有多种结构型号以及两种传输模式,是利用比较广泛的通讯光缆。72芯光缆是内置有72根光纤的室外通讯线缆,72芯光缆主要应用在长途通讯和局间通讯的传输,是一种长距离传输的模式。72芯光缆结构在结构上72芯光缆主要分为室外和室内两种结构类型。室外型的主要有中心束管式和层绞式两种类型,一般较为常用的是层绞式,以为层绞式容纳

芯城品牌采购网

6686